KESSEL Rückstaudoppelverschluss Staufix-SWA Unterflurinstallation befliesbar zum günstigen Preis online kaufen
Zur Vermeindung von Kellerüberflutungen empfiehlt sich der Einbau einer Rückstausicherung von KESSEL.
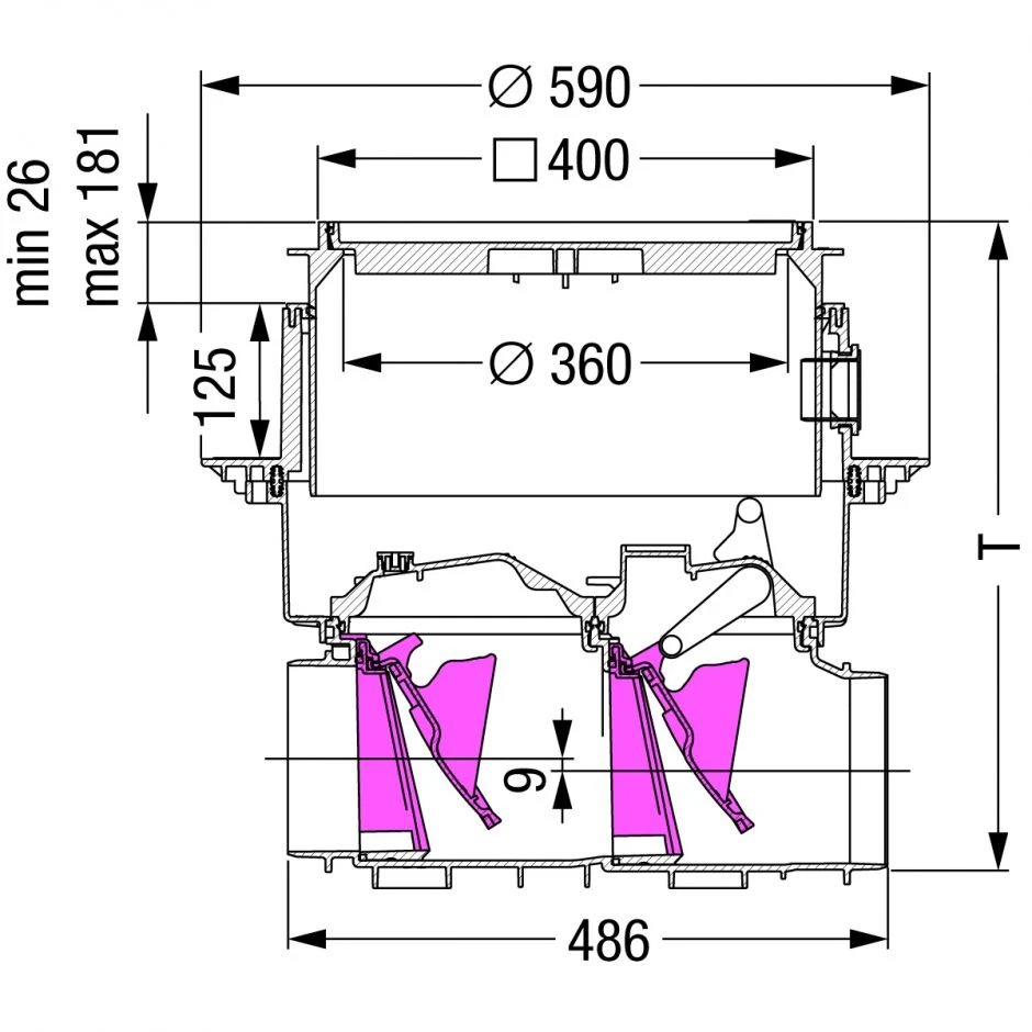
Der Rückstaudoppelverschluss Staufix SWA (73100.10X, 73125.10X, 73150.10X, 73200.10X) für fäkalienfreies Abwasser wird in die Bodenplatte eingebaut. Die befliesbare Abdeckung sorgt dafür, dass er sich unauffällig in den Boden einfügt. Der aus Kunststoff bestehende Rückstaudoppelverschluss hat ein teleskopisches Aufsatzstück für einen stufenlosen Höhen- und Niveauausgleich. Er hat zwei Klappen, die selbsttätig schließen. Eine davon dient als handverriegelbarer Notverschluss.
Der Grundkörper mit einem minimalen Eigengefälle von 9 mm, hat noch einen Zulauf mit Steckmuffe und einen Ablauf mit Spitzende für den direkten Anschluss an Kunststoff-Rohrleitungssysteme. Der Anschluss anderer Außendurchmesser und Rohrmaterialien ist mit Übergängen der Systemhersteller möglich.
Technische Daten:
- Rückstaudoppelverschluss: Staufix SWA
- Norm: DIN EN 13564 Typ 2
- Einbaukörper: schwarz
- Nennweiten: DN 100 (DA 110 mm), DN 125 (DA 125 mm), DN 150 (DA 160 mm), DN 200 (DA 200 mm)
- Einbauart: Einbau in die Bodenplatte
- Einbautiefe (T): 486 mm bis 640 mm
- (Rohrsohle Ablauf bis OK Abdeckung)
- Abdeckplatte: für wählbare Oberfläche
- Belastungsklasse: A 15 (1,5 t)
| Marke | KESSEL |
|---|---|
| Fäkalienhaltiges Abwasser | nein |
| Art | Modulset |
| Abdeckung | befliesbare Abdeckung |
| Installationsart | für Bodenplatte |
| Nennweite | DN 100, DN 125, DN 150, DN 200 |
| Aussparungsmaße | 750×750 mm |
| Serie | Staufix |
| Gewicht | Variante am Produkt wählen, um Gewicht zu sehen |
| HAN | Variante am Produkt wählen, um HAN zu sehen |
| Art.-Nr.: | 100058811a |
- KESSEL Rückstaudoppelverschluss Staufix-SWA Unterflurinstallation befliesbar












Rezensionen
Es gibt noch keine Rezensionen.